2200F Sliding Bypass Door Hardware

  • 75lbs [34kg] Max Weight Per Door

  • 1-3/8" [35mm] Door Thickness
  • Side Mount Hanger Type

  • Single Extrusion Twin Rail Fascia Track Type

  • 192" (16') [4877mm] Max. Track Length
  • Residential Grade Top Hung Sliding Door Hardware

  • 2200F Installation Instructions

The 2200F is general purpose residential grade sliding by-pass door hardware for 1-3/8" [35mm] thick doors featuring a extruded aluminum track with integrated fascia. Convex track rails provide single point contact between wheel and track for quiet feather touch operation. Hangers include one 7/8" [22mm] dia. molded nylon machine turned wheels with three point locking plates. Hangers adjust without removing or relocating screws. Door guide adjusts laterally for quick door alignment.

2200F Series Sliding Bypass Door Hardware

Select a hardware set part that matches the number of doors to slide and track length to accommodate your door widths. Don't see a hardware set that matches your exact door widths? Johnson track can be cut down to accommodate narrower doors by ordering the next longer track length hardware set for your door widths and cutting the track down.

  • Sliding Bypass Door Hardware Sets for standard door/opening widths. Sets include all necessary hardware for 2 or 4 door sliding bypass installations.
  • The 2200F is compatible with 1-3/8" [35mm] thick doors only.
  • Track can be cut down to accommodate narrower doors/openings.
  • Custom 2200F configurations possible by ordering 2200F components by the piece.

The 2200F is general purpose residential grade sliding by-pass door hardware for 1-3/8" [35mm] thick doors featuring a extruded aluminum track with integrated fascia. Convex track rails provide single point contact between wheel and track for quiet feather touch operation. Hangers include one 7/8" [22mm] dia. molded nylon machine turned wheels with three point locking plates. Hangers adjust without removing or relocating screws. Door guide adjusts laterally for quick door alignment.

2200F Series Sliding Bypass Door Hardware

Select a hardware set part that matches the number of doors to slide and track length to accommodate your door widths. Don't see a hardware set that matches your exact door widths? Johnson track can be cut down to accommodate narrower doors by ordering the next longer track length hardware set for your door widths and cutting the track down.

  • Sliding Bypass Door Hardware Sets for standard door/opening widths. Sets include all necessary hardware for 2 or 4 door sliding bypass installations.
  • The 2200F is compatible with 1-3/8" [35mm] thick doors only.
  • Track can be cut down to accommodate narrower doors/openings.
  • Custom 2200F configurations possible by ordering 2200F components by the piece.

2200F Printed Installation Instructions

2200F Quick Reference Drawings

2200F Series Sliding Bypass Door Hardware

Select a hardware set part that matches the number of doors to slide and track length to accommodate your door widths. Don't see a hardware set that matches your exact door widths? Johnson track can be cut down to accommodate narrower doors by ordering the next longer track length hardware set for your door widths and cutting the track down.

  • Sliding Bypass Door Hardware Sets for standard door/opening widths. Sets include all necessary hardware for or 4 door sliding bypass installations.
  • The 2200F is compatible with 1-3/8" [35mm] thick doors only.
  • Track can be cut down to accommodate narrower doors/openings.
  • Custom 2200F configurations possible by ordering 2200F components by the piece.
Products specifications
Max. Weight Per Door 75lbs. [34kg]
Application Interior Residential
Door Thickness 1-3/8" [35mm]
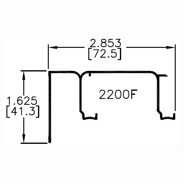
Series Track 2200F
Track Finish Mill Aluminum
Track Material 6063T6 Extruded Aluminum
Track Profile Double Leg J-Track
Hanger Type Side Mount
Wheel Dia. 7/8"
Wheel Type Machine Turned and Balanced Nylon, Factory Greased
Steel Component Finish Zinc Trivalent Plated
Steel Components 12-14 Gauge
Product Grade Residential
Packaging Rigid cardboard tube
Country of Origin U.S.A.
Specification Conditions All product, product specifications and data are subject to change without notice to improve reliability, function or design or otherwise

Single Wheel Hardware Sets

Part No. Description /Contents Max. Door Width Track Length Doors Max. Weight Per Door Price | Qty. | Order
2200F481 View Contents

24" X 2 (2' - 0" X 2)
[610mm X 2]

48" (4' - 0")
[1219mm]

2 - Doors

75lbs. [34kg]

Buy Now
2200F601 View Contents

30" X 2 (2' - 6" X 2)
[762mm X 2]

60" (5' - 0")
[1524mm]

2 - Doors

75lbs. [34kg]

Buy Now
2200F721 View Contents

36" X 2 (3' - 0" X 2)
[914mm X 2]

72" (6' - 0")
[1829mm]

2 - Doors

75lbs. [34kg]

Buy Now
2200F961 View Contents

24" X 4 (2' - 0" X 4)
[610mm X 4]

96” (8' - 0")
[2438mm]

4 - Doors

75lbs. [34kg]

Buy Now

Oversized item must be shipped freight. Freight orders over $800 ship free!

Products specifications
Max. Weight Per Door 75lbs. [34kg]
Application Interior Residential
Door Thickness 1-3/8" [35mm]
Series Track 2200F
Track Finish Mill Aluminum
Track Material 6063T6 Extruded Aluminum
Track Profile Double Leg J-Track
Hanger Type Side Mount
Wheel Dia. 7/8"
Wheel Type Machine Turned and Balanced Nylon, Factory Greased
Steel Component Finish Zinc Trivalent Plated
Steel Components 12-14 Gauge
Product Grade Residential
Packaging Rigid cardboard tube
Country of Origin U.S.A.
Specification Conditions All product, product specifications and data are subject to change without notice to improve reliability, function or design or otherwise